

【產品簡介】
1500三層不銹鋼旋振篩直徑為1500mm,三層四出口旋振篩,底桶為碳鋼材質,與物料接觸為304不銹鋼。
免費獲取報價
全國統一銷售熱線
1500三層不銹鋼旋振篩簡介:
1500三層不銹鋼旋振篩直徑為1500mm,3層4個出口旋振篩,底桶為碳鋼材質,與物料接觸為304不銹鋼,產量可達3600kg/時。
1500三層不銹鋼旋振篩技術參數
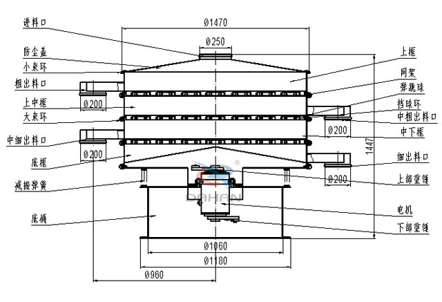
1500三層不銹鋼旋振篩結構圖:

1500三層不銹鋼旋振篩工作原理:
1500三層不銹鋼旋振篩直立式電機作激振源,電機上、下兩端安裝有偏心重錘,將電機的旋轉運動轉變為水平、垂直、傾斜的三次元運動,再把這個運動傳遞給篩面。調節上、下兩端的相位角,可以改變物料在篩面上的運動軌跡,由于其振動運轉原理很多企業也稱之為“三次元振動篩分過濾機”,根據外形結構被部分客戶稱呼為圓形篩。
1500三層不銹鋼旋振篩細節展示:






奶粉的篩選離不開振動篩設備,一般廠家建議選擇不銹鋼旋振篩...
篩分面粉一般選擇的振動篩是不銹鋼旋振篩,而其價格一直是用...
大漢醫藥不銹鋼旋振篩價格: 500045000 醫藥不銹鋼旋振篩整機采...
不銹鋼旋振篩采用304不銹鋼材質,耐磨性、耐腐蝕性能好,篩分...
Copyright ? 2007-2020 新鄉市大漢振動機械有限公司 版權所有
All Rights Reserved 備案序號:豫ICP備09002479號-15